PDF Manuals



Zenith Ats Wiring Diagram

Zenith Ats Wiring Diagram

ZTS Series

The Zenith ZTS Series of automatic transfer switches (ATS) are built for business and industrial critical applications requiring the reliability and enhanced operation. The ZTS Series uses the MX250 microprocessor control system, which includes features specified for use in business and industrial critical applications.

Zenith | ABB

Zenith and ABB have over 150 years of combined experience in power switching technologies. Now under ABB, Zenith is bringing you the next generation of automatic transfer switch technology designed to increase system reliability and provide the easiest possible user experience.

Racor Fuel Filter

Racor Fuel Filter zenith ats wiring diagram zongshen 200cc wiring diagram four wire system zig zag generator wiring diagram zrt wiring diagram in addition arctic cat zone electric cart wiring diagram zongshen 110 atv wire diagram zinwell multiswitch wiring diagram zongshen 50cc wiring diagram zuma 50f wiring diagram ztvhl3 mirror wiring ...

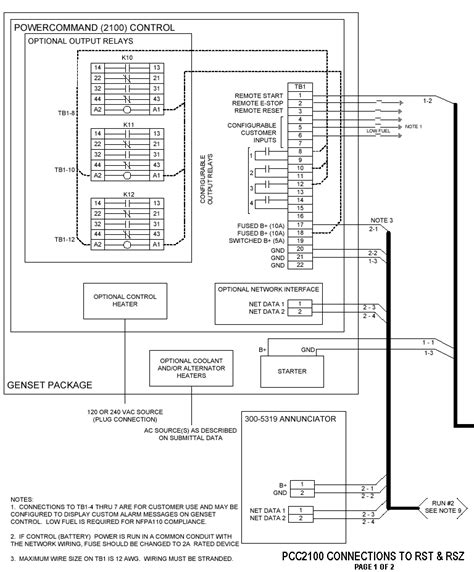
wiring diagram for ats

Wiring diagram of ats panel for generator base website automatic backup transfer switch wrg 4500 zenith aa 6293 abb sederhana bernini design 160kva control 2 simple circuits homemade ze 3073 Wiring Diagram Of Ats Panel For Generator Base Website Automatic Backup Generator Transfer Switch Wiring Diagram Wrg 4500 Zenith Ats Wiring Diagram Automatic Transfer Switch Ats Aa 6293… Read More »

wiring diagram for ats

Wiring diagram of ats panel for generator base website automatic backup transfer switch wrg 4500 zenith aa 6293 abb sederhana bernini design 160kva control 2 simple circuits homemade ze 3073. Wiring Diagram Of Ats Panel For Generator Base Website.

GE ZENITH CONTROLS ZTS SPECIFICATION Pdf Download | ManualsLib

View and Download GE Zenith Controls ZTS specification online. ZTS Series Automatic Transfer Switches. ZTS switch pdf manual download. Also for: Zbtsct400 zbtsct300 zbtsct200 zbtsct160 zbtsct120 zbtsct100 zbtsct80 zbtsct60 zbtsct40 2, Zbtsct26 2, Zbtsct22 2, Zbtsct15 2, Zbtsct10 2,...

1600A

Wiring Harnesses Miscellaneous Parts 15-500kVA Three Phase Transformers Docking Stations ... 1600A-2000A Zenith ATS Configurator - ZTG Nema 4X Stainless Steel (Outdoor) Regular price $21,570 00 $21,570.00. 1600A-3000A Zenith ATS Configurator - ZTG Nema 3R (Outdoor)

CTG Series Automatic Transfer Switch ATS MX Contactor ...

The Cat® CTG Series Automatic Transfer Switches (ATS) are pre-configured for applications requiring the dependability and ease of operation found in a full feature power contactor type transfer switch. CTG switches are equipped with the next generation MX150 microprocessor panel, which controls the operation and displays the status of the transfer switch's position, timers and available sources.

Transfer Switch Troubleshooting GE Zenith MX150/MX250 5 ...

i tried to fit this into 5 mins.. i think i did lol

Zenith Ats Wiring Diagram (eBook Download) | At present you are looking with regard to an Zenith Ats Wiring Diagram example that we provide here in some type of document formats such as PDF, Doc, Power Point, and in addition images that will make it simpler for you to create an Zenith Ats Wiring Diagram yourself. For a better look, you may open a few examples below. All of the illustrations about Zenith Ats Wiring Diagram on this site, we get from many sources so you could create a better record of your own. In case the search you obtain here does not match up what you are seeking for, please make use of the research feature that we have provided here. You are free to download something that we provide in this article, investment decision you won't cost you the slightest.

DOWNLOAD