PDF Manuals



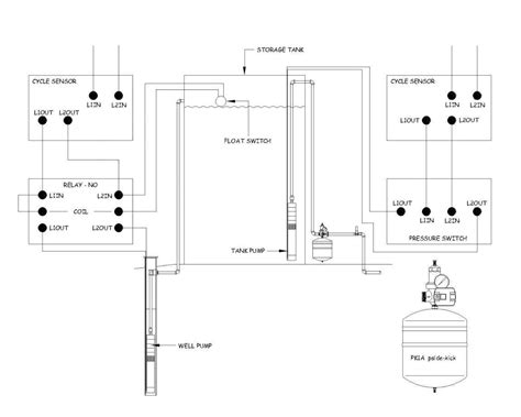
Wiring Diagram Septic Tank Control

Wiring Diagram Septic Tank Control

Wiring Diagram Septic Tank Control (eBook Download) | Currently you are looking regarding an Wiring Diagram Septic Tank Control example that will we provide here inside some kind of document formats like as PDF, Doc, Energy Point, and in addition images that will will make it simpler for you to create an Wiring Diagram Septic Tank Control yourself. For a clearer look, you can open several examples below. All the examples about Wiring Diagram Septic Tank Control about this web site, we get from several sources so you can create a better file of your own. In case the search you get here does not match up what you are seeking for, please use the lookup feature that we have got provided here. You are free to download anything that we provide right here, it will not cost you the slightest.

DOWNLOAD