PDF Manuals



Wiring Diagram For Dummies

Wiring Diagram For Dummies

Electrical Wiring

Dummies has always stood for taking on complex concepts and making them easy to understand. Dummies helps everyone be more knowledgeable and confident in applying what they know. Whether it’s to pass that big test, qualify for that big promotion or even master that cooking technique; people who rely on dummies, rely on it to learn the critical skills and relevant information necessary for ...

Wiring Examples and Instructions

Wiring Diagram List. You may scroll through the images below to search for related diagrams or components you are interested in and click on the image to go directly to more information. Basic 2-Way Switch. Basic 3-Way Switch. Basic 4-Way Switch. 2-Outlets in Series. Dryer Outlets. Dryer Connections.

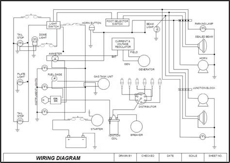
Electrical Wiring Diagrams For Dummies | Wiring Diagram

Electrical Wiring Diagrams For Dummies will definitely help you in increasing the efficiency of your work. Skip to content. ... Wiring Diagram – Electrical Circuit Diagram House Wiring Wiring diagram also offers helpful ideas for projects that may demand some extra tools.

Boat Wiring for Dummies Diagram | autocardesign

Boat Wiring for Dummies Diagram– wiring diagram is a simplified satisfactory pictorial representation of an electrical circuit.It shows the components of the circuit as simplified shapes, and the faculty and signal associates in the middle of the devices.

Electrical Wiring Diagrams For Dummies | Fuse Box And ...

electrical wiring diagrams for dummies - welcome to my internet site, this blog post will discuss concerning electrical wiring diagrams for dummies. We have accumulated lots of pictures, ideally this photo serves for you, and help you in finding the answer you are trying to find. Description : Basic Home Wiring Plans

Automotive Wiring Diagrams For Dummies

Ha 9594 Gm Wiring Diagrams Dummies Diagram. Using Relays In Automotive Wiring. How To Read Car Wiring Diagrams Short Beginners Version Rustyautos Com. Automotive Wiring 101 Basic Tips Tricks Tools For Your Vehicle Onallcylinders.

RV Wiring for Dummies

RV Wiring for Dummies is a great page with several different videos to help you understand RV Electricity. I personally find electricity difficult - I can't see it so I don't fully understand it!! With that being said, here are some great explanation videos to help you get a better feeling for how all this "stuff" works and why.

Wiring Diagram For Dummies (eBook Download) | Presently you are looking with regard to an Wiring Diagram For Dummies example that will we provide here inside some kind of document formats many of these as PDF, Doc, Power Point, as well as images that will will make it easier for you to create an Wiring Diagram For Dummies yourself. For a better look, you are able to open some examples below. All of the examples about Wiring Diagram For Dummies on this website, we get from many sources so you may create a better record of your own. In case the search you obtain here does not match what you are searching for, please use the lookup feature that we have provided here. You will be free to download something that we provide right here, expense cost you the slightest.

DOWNLOAD