PDF Manuals



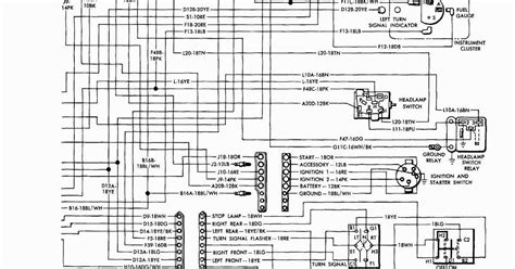
Winnebago Schematics 2002 Wiring Diagram

Winnebago Schematics 2002 Wiring Diagram

Winnebago Schematics 2002 Wiring Diagram (eBook Download) | Presently you are looking for an Winnebago Schematics 2002 Wiring Diagram example that will we provide here inside some form of document formats such as PDF, Doc, Energy Point, as well as images that will will make it easier for you to create an Winnebago Schematics 2002 Wiring Diagram yourself. For a better look, you may open a few examples below. Each of the good examples about Winnebago Schematics 2002 Wiring Diagram with this web site, we get from a number of sources so you could create a better file of your own. In case the search you get here does not match up what you are looking for, please utilize the search feature that we have got provided here. You will be free to download anything that we provide in this article, expense cost you the slightest.

DOWNLOAD