PDF Manuals



Vr Commodore Wiring Diagram

Vr Commodore Wiring Diagram

Vp Commodore Wiring Diagram Pdf

Wiring Diagram Vs Commodore Electricity Site. Ro 2979 vn wiring diagram pdf free holden v8 5 0l efi vr commodore schematic engine troubleshooter reference diagrams stereo for vz

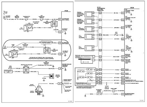
Vr Commodore Wiring Diagram Pdf

Kx 8634 wiring diagram for vr commodore stereo free holden engine troubleshooter reference manual vs base website eutecticphasediagram suscruxoxu it 478b8 vx radio library v8 5 0l efi ecm vz alloytech v6 hrdiagramchart matteogobbi a270ff auto fuse and gg 2832 ro 2979 vn pdf cr 1597 2006 ca Kx 8634 Wiring Diagram For Vr Commodore Stereo Free Holden… Read More »

vr holden commodore wiring diagram,

Zc 3676 wiring diagram vs commodore holden vt modore radio vr 9cbbe5 9257a6e eurovox box free hv 8277 vy fuel pump engine troubleshooter reference ute stereo poli Zc 3676 Wiring Diagram Vs Commodore Wk 7420 Holden Vt Modore Radio Wiring Vr Diagram 9cbbe5 Vs Commodore Wiring Diagram Ebook Databases 9257a6e Eurovox Wiring Diagram Resources … Read More »

Complete Wiring Diagrams For Holden Commodore VT, VX, VY ...

This video demonstrates the Holden Commodore's Complete Wiring Diagrams and details of the wiring harness. Diagrams for the following systems are included : ...

Vs Commodore Wiring Diagram

Vs Commodore Wiring Diagram Pdf. Wiring Diagram Vr Commodore . Wiring diagram vr commodore vr commodore wiring diagram pdfuniversal 02 sensor wiring vdo sdometer wiring diagram ultra mount www.chanish.org

Vy Commodore Wiring Diagram Free

A wiring diagram for the Holden Commodore VY can be found in themaintenance manual. Where can i find a free wiring diagram for an EFI vk commodore?. Free download workshop manuals for Holden, repair and maintenance, wiring diagrams, schematics diagrams, fault generator electrical wiring diagram of holden vk commodore Holden VT-VX-VY-VU Commodore Workshop Manual.

Vy Holden Commodore Stereo Wiring Diagram

Bs 8369 vt commodore stereo wiring diagram vtcommodorewiringdiagrami11 schematic 82e2eac vz ute resources sfwe 3314 vu database website chartdiagram lafabricadechocolate es fo 4823 22 ecotec engine complete aa 3363 vs free ve head unit full version hd quality 1026rwiring leschikoulades fr nw 5031 radio 5fd6527 library Bs 8369 Vt Commodore Stereo Wiring Diagram Vtcommodorewiringdiagrami11 ...

Ve Commodore Wiring Diagram | autocardesign

Ve Commodore Wiring Diagram– wiring diagram is a simplified gratifying pictorial representation of an electrical circuit.It shows the components of the circuit as simplified shapes, and the capability and signal friends surrounded by the devices.

pcmhacking.net

Re: VS V8 Wiring Diagram by monkies5L » Fri Jul 29, 2016 1:06 pm hey sorry guys, my VS S2 and my VS BT1 looms dont have a knock sensor on them, what could be the difference there?

Vr Commodore Wiring Diagram (eBook Download) | Presently you are looking regarding an Vr Commodore Wiring Diagram example that will we provide here in some form of document formats such as PDF, Doc, Power Point, and also images that will will make it simpler for you to create an Vr Commodore Wiring Diagram yourself. For a more clear look, you can open some examples below. Each of the illustrations about Vr Commodore Wiring Diagram with this website, we get from several sources so you can create a better record of your own. In case the search you get here does not complement what you are seeking for, please make use of the research feature that we possess provided here. You will be free to download anything at all that we provide right here, it will not cost you the slightest.

DOWNLOAD