PDF Manuals



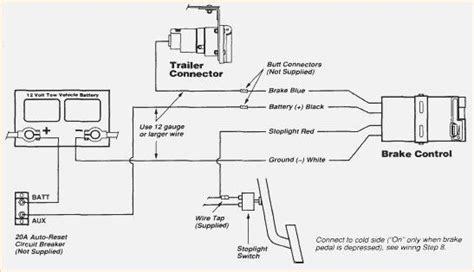
Voyager Brake Controller Wiring Diagram

Voyager Brake Controller Wiring Diagram

Voyager Brake Controller Wiring Diagram (eBook Download) | Presently you are looking for an Voyager Brake Controller Wiring Diagram example that will we provide here within some kind of document formats such as PDF, Doc, Energy Point, and in addition images that will will make it easier for you to create an Voyager Brake Controller Wiring Diagram yourself. For a more clear look, you can open a few examples below. All of the examples about Voyager Brake Controller Wiring Diagram with this site, we get from several sources so you can create a better record of your own. In case the search you acquire here does not match up what you are looking for, please use the search feature that we have got provided here. You will be free to download something that we provide right here, expense cost you the slightest.

DOWNLOAD