PDF Manuals



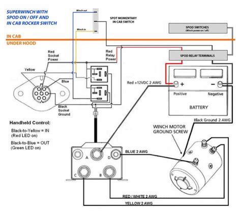
Superwinch Switch Wiring Diagram

Superwinch Switch Wiring Diagram

Superwinch Switch Wiring Diagram (eBook Download) | Currently you are looking for an Superwinch Switch Wiring Diagram example that we provide here inside some kind of document formats such as PDF, Doc, Power Point, and in addition images that will make it simpler for you to create an Superwinch Switch Wiring Diagram yourself. For a clearer look, you can open a few examples below. All of the illustrations about Superwinch Switch Wiring Diagram about this web site, we get from many sources so you may create a better document of your own. In case the search you acquire here does not complement what you are seeking for, please use the search feature that we possess provided here. You are free to download anything that we provide here, expense cost you the slightest.

DOWNLOAD