PDF Manuals



Smartcraft Wiring Diagram

Smartcraft Wiring Diagram

Mercury Smartcraft Sc1000 Wiring Diagram

SmartCraft Gauge Test Specifications. 2D EFI Spoet Jet Wiring Diagram. 2D .. to be properly selected (Port and Stbd) using a Mercury engine diagnostic tool. If yes is selected, then lighting levels made on this SC tach.Find great deals on eBay for mercury smartcraft wiring harness.

WIRING FOR SMARTCRAFT GAUGES

WIRING FOR SMARTCRAFT GAUGES 90-879939001 AUGUST 2007 Page 7 / 34 Data Harness Connections: Dual Engine with Dual Helm IMPORTANT: Route wiring harnesses to avoid contact with any sharp edges, hot surfaces, or moving components. Anchor every wiring harness to prevent frictional chafing or cuts. 1.

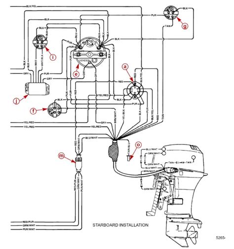
Mercury Smartcraft Sc1000 Wiring Diagram

SmartCraft Gauge Test Specifications. 2D EFI Spoet Jet Wiring Diagram. 2D .. to be properly selected (Port and Stbd) using a Mercury engine diagnostic tool. If yes is selected, then lighting levels made on this SC tach.

Wiring Diagram For Mercury Smartcraft

Wiring Diagram For Mercury Smartcraft tech tools product manuals and installation guides. the best boat forum for answers to hard qustions about boats. boat parts ebay. mercury mercruiser owner s manual pdf download. how to install a smartcraft system page 1 iboats. mercury optimax 115 service manual pdf

smartcraft wiring diagram,

Smartcraft gauge wiring diagram optimax the hull mercury dual for gauges manualzz qsm 11 cm570 2 x vessel adapter harness gps help junction box club sea ray 0b1 verado rite dts Rr 7007 Smartcraft Gauge Wiring Diagram Smartcraft Optimax Wiring The Hull Truth Boating And Fishing Forum Gpif 6270 Mercury Smartcraft Wiring Diagram Dual Engine Database… Read More »

mercury smartcraft wiring diagram,

Smartcraft gauge wiring diagram optimax the hull for gauges manualzz how to install a system page mercury verado rite twin smart craft issues 25 hp outboard operations manual gps help junction box club sea ray 869 Rr 7007 Smartcraft Gauge Wiring Diagram Smartcraft Optimax Wiring The Hull Truth Boating And Fishing Forum Wiring For Smartcraft Gauges… Read More »

Smartcraft Sc1000 Wiring Diagram

Mercury smartcraft wiring question position of resister the hull truth boating and fishing forum sc1000 dilemma optimax sdometer gps connecting garmin to cannot identify connection mercruiser smart craft trim sender unit analog digital tachometer 869 gauges diagram library ld 4043 gauge operations manual twin issues Mercury Smartcraft Wiring Question Position Of Resister The Hull Truth Boating ...

Mercury Smartcraft Wiring Diagrams

Smartcraft optimax wiring the hull truth boating and fishing forum mercury sc1000 dilemma zc 8772 yamaha sd diagram yv 0086 marine kill switch 49 harness www pelletgrillpart com faria tachometer e30 cannot identify connection bc10 gauges resources gauge gps help installing on 40 hp four stroke moderated c7a6 Smartcraft Optimax Wiring The Hull Truth Boating And Fishing Forum… Read More »

Verado Wiring Diagram

As for costs, the ACR is only the charging relay.Mercury verado wiring diagram s of mercury pro 4 stroke verado 6 cylinder perfprotech 31 kawasaki wiring diagram schematics boat hour meter wiring diagram detailed diagrams cdi electronics Related. Post Navigation. Previous Article Mercury Marine Wiring Diagram.

Smartcraft Wiring Diagram (eBook Download) | Presently you are looking regarding an Smartcraft Wiring Diagram example that will we provide here inside some form of document formats such as PDF, Doc, Power Point, and also images that will will make it easier for you to create an Smartcraft Wiring Diagram yourself. For a better look, you may open a few examples below. All the examples about Smartcraft Wiring Diagram about this web site, we get from several sources so you could create a better record of your own. In case the search you get here does not match what you are seeking for, please use the research feature that we possess provided here. You are usually free to download something that we provide right here, expense cost you typically the slightest.

DOWNLOAD