PDF Manuals



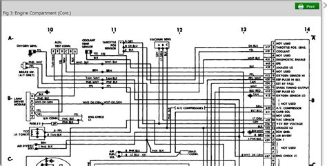
S10 Engine Wiring Diagram

S10 Engine Wiring Diagram

S10 Engine Wiring Diagram (eBook Download) | At present you are looking with regard to an S10 Engine Wiring Diagram example that we provide here within some type of document formats like as PDF, Doc, Strength Point, as well as images that will make it simpler for you to create an S10 Engine Wiring Diagram yourself. For a more clear look, you can open a few examples below. All of the examples about S10 Engine Wiring Diagram on this site, we get from many sources so you may create a better file of your own. When the search you obtain here does not match up what you are seeking for, please use the lookup feature that we have got provided here. You are free to download anything at all that we provide in this article, investment decision you won't cost you the particular slightest.

DOWNLOAD