PDF Manuals



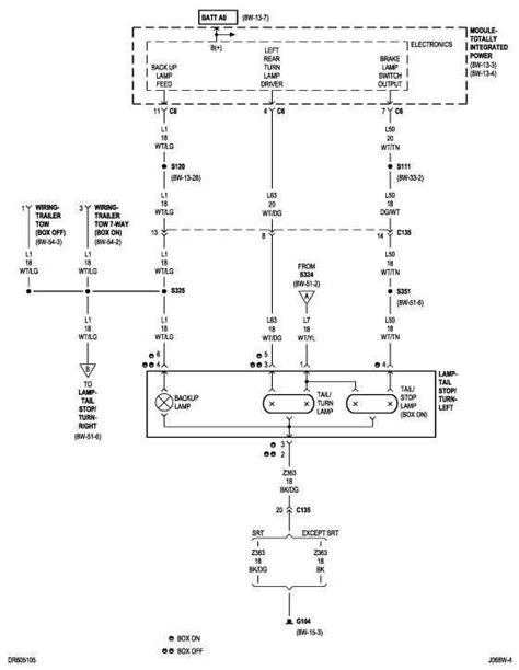
Ram 2500 Engine Wiring Diagram

Ram 2500 Engine Wiring Diagram

Ram 2500 Engine Wiring Diagram (eBook Download) | Currently you are looking with regard to an Ram 2500 Engine Wiring Diagram example of which we provide here in some kind of document formats like as PDF, Doc, Strength Point, and in addition images of which will make it easier for you to create an Ram 2500 Engine Wiring Diagram yourself. For a better look, you are able to open several examples below. Each of the illustrations about Ram 2500 Engine Wiring Diagram about this website, we get from many sources so you could create a better file of your own. If the search you acquire here does not match what you are searching for, please use the lookup feature that we have provided here. You will be free to download anything that we provide in this article, it will not cost you the slightest.

DOWNLOAD