PDF Manuals



Parallel Switch Wiring Diagram Kenworth

Parallel Switch Wiring Diagram Kenworth

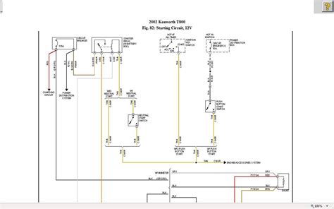
Wiring schematics for a Kenworth W900b

Wiring schematics for a Kenworth W900b. ... If your KW is 24volt start 12volt run, ?? there should be a series parallel switch close by the battery box which looks similar to these in attached PDF. ... I just purchased a 1984 Kenworth W900b and am in need of a wiring diagram.

http://www.truckt.com Parallel Battery Switch

The parallel switch accomplishes this feat using 6 relay contacts as shown in the diagram below. These 6 relay contacts are controlled by the relay coil. When the parallel switch is not active, contacts S1-A and S1-C connects battery B2 post to the trucks 12 volt system.

How to install a series parallel switch

Installing a series parallel switch in a 1969 Kenworth W900A https://www.youtube.com/user/danielmboone?sub_confirmation=1

246277 Series Parallel Wiring Diagram Kenworth | Wiring ...

8F70C 06 Kenworth T800 Wiring Diagram | Digital Resources . Series Parallel Wiring Diagram Kenworth - View our speaker wiring configuration diagrams to properly match speaker load with your amplifier’s output impedance to get maximum transfer of power. Support Wiring Diagrams. Wiring Configuration for 4 Speakers in Series/Parallel : Four 4 ohm speakers = 4 ohm load.

Truck Series Parallel Switch Wiring Diagram

12 24 volt dc 1500 amp series parallel solenoid relay wiring schematic for switch antique classic http www truckt com battery advice switches explained trucks au practical machinist largest manufacturing technology forum on ta 7385 24v free diagram schematics a kenworth w900b 12 24 Volt Dc 1500 Amp Series Parallel Solenoid Relay Wiring Schematic For Series Parallel Switch… Read More »

Wiring schematic for Series Parallel switch

Wiring schematic for Series Parallel switch Wiring schematic for Series Parallel switch By Barry. Find their other tutorials; Share Followers 0. Series Parallel Switch Diagram provided by BMT Member Dover! Support Topic Get Support Tutorial Information. Views 12000. Submitted October 14, 2011. Updated February 23, 2017. 2 ...

Bosch Series Parallel Switch Wiring Diagram

12 24 volt dc 1500 amp series parallel solenoid relay advice switches explained www trucks com au 0333300003 product details ttc http truckt battery switch marine contactors for 12v momentary 36v fix it anarchy sailing forums bosch wiring png schematics a kenworth w900b installation in system electrical gurus delco remy diagram base website venndiagramsubset attentialluomo cf 9976 generator ...

Parallel Switch Wiring Diagram Kenworth (eBook Download) | At present you are looking with regard to an Parallel Switch Wiring Diagram Kenworth example that we provide here within some form of document formats many of these as PDF, Doc, Strength Point, as well as images that will make it simpler for you to create an Parallel Switch Wiring Diagram Kenworth yourself. For a better look, you are able to open a few examples below. All the illustrations about Parallel Switch Wiring Diagram Kenworth with this site, we get from many sources so you can create a better document of your own. In case the search you obtain here does not match up what you are searching for, please use the lookup feature that we have got provided here. You are usually free to download something that we provide here, it will not cost you typically the slightest.

DOWNLOAD