PDF Manuals



Open Delta Wiring Diagram Metering

Open Delta Wiring Diagram Metering

Open Delta Transformer Connection

Looking at the open delta diagram and using KCL node equations, the A-line current is now equal to B-phase current minus the C-phase current. We will use a phase current magnitude of 1 so that we can plug these values into our calculator and solve to see if the magnitude or angle increases or decreases with this new KCL relationship:

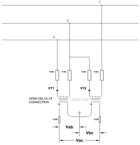
ANSI METER WIRING DIAGRAMS

5S Wiring Diagram (4 WIRE DELTA) 3 PH, 4 WIRE (2 PT, 2 CT) GLEMS would like to thank and acknowledge the use of the following meter connection diagrams from Dr. Bill Hardy, TESCO. Be aware that these are general diagrams using standard test switches which may not match some Utility standards in their configuration and are for reference only.

Open Delta Transformer – Voltage Disturbance

Open delta connection for voltage metering applications. ... people often assume there is line-neutral voltage available and make wrong wiring connections to power meters, ... Wye and Delta Connection Vector Diagram. Transformer Calculator. Previous. Next. Contents for educational purpose only.

Open Delta Transformer Connection – Calculation & Diagram ...

Connection Diagram of Open Delta Transformer. The above figure shows the connection diagram of an open delta system. In this diagram, a three-phase unity PF load (resistive load) is supplied by two transformers. Each transformer is rated as 10 kVA (current rating is 10 A and voltage rating is 1000 V).

Tech Brief #2: The Problem with Open

Open-delta potential transformers ... Coupled with the cost of installation and wiring, ... The characteristic phasor diagram for an open-delta arrangement can be seen in the screenshot below.

Open Delta Voltages

Discussion of how the three phases are still produced in an open Delta transformer.

Chalk Talk: Open Delta Open Delta

This video explains the correct and proper wiring of open Delta-open Delta transformer banks. A free training video from Northwest Lineman College www.linema...

Why Does My Open

I hope this excerpt saved you from the headaches I had trying to figure out the open-delta connected phasor diagrams the first time I tested an open-delta connected relay. If you aren’t already getting our free technical articles in your inbox, sign up on the right to get all of the free extras we send out every two weeks, as well as occasional promotions.

Wiring Diagrams

Overview. One of the most requested items of information that we receive is for wiring diagrams for the meters we sell. This page contains circuit type and wiring diagrams for all the form #’s of meters, sockets and pans; with and without CT’s and PT’s, for Wye, Delta, and Network circuits.

Open Delta Wiring Diagram Metering (eBook Download) | Currently you are looking regarding an Open Delta Wiring Diagram Metering example that will we provide here within some kind of document formats such as PDF, Doc, Energy Point, and also images that will will make it simpler for you to create an Open Delta Wiring Diagram Metering yourself. For a clearer look, you are able to open several examples below. All the illustrations about Open Delta Wiring Diagram Metering about this website, we get from several sources so you may create a better document of your own. In case the search you acquire here does not complement what you are looking for, please utilize the research feature that we have provided here. You will be free to download something that we provide right here, it will not cost you typically the slightest.

DOWNLOAD