PDF Manuals



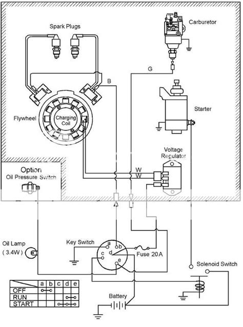
Onan Small Engine Wiring Diagram

Onan Small Engine Wiring Diagram

Onan Small Engine Wiring Diagram (eBook Download) | Currently you are looking regarding an Onan Small Engine Wiring Diagram example that will we provide here in some kind of document formats like as PDF, Doc, Power Point, as well as images that will will make it simpler for you to create an Onan Small Engine Wiring Diagram yourself. For a clearer look, you are able to open a few examples below. All the illustrations about Onan Small Engine Wiring Diagram with this web site, we get from a number of sources so you may create a better record of your own. If the search you get here does not complement what you are seeking for, please utilize the search feature that we have got provided here. You are free to download anything that we provide right here, expense cost you the particular slightest.

DOWNLOAD