PDF Manuals



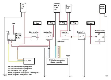
Nos Mini Progressive Controller Wiring Diagram

Nos Mini Progressive Controller Wiring Diagram

Nos Mini Progressive Controller Wiring Diagram (eBook Download) | At present you are looking regarding an Nos Mini Progressive Controller Wiring Diagram example that we provide here in some form of document formats like as PDF, Doc, Power Point, and in addition images that will make it simpler for you to create an Nos Mini Progressive Controller Wiring Diagram yourself. For a more clear look, you can open a few examples below. All of the illustrations about Nos Mini Progressive Controller Wiring Diagram on this web site, we get from many sources so you can create a better record of your own. If the search you obtain here does not match up what you are seeking for, please utilize the search feature that we have got provided here. You are usually free to download anything that we provide right here, expense cost you typically the slightest.

DOWNLOAD