PDF Manuals



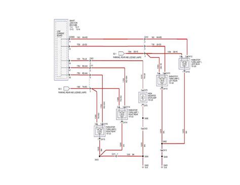
Mustang Engine Wiring Diagram

Mustang Engine Wiring Diagram

Mustang Engine Wiring Diagram (eBook Download) | Presently you are looking for an Mustang Engine Wiring Diagram example that we provide here in some form of document formats such as PDF, Doc, Strength Point, and also images that will make it simpler for you to create an Mustang Engine Wiring Diagram yourself. For a clearer look, you can open several examples below. All of the examples about Mustang Engine Wiring Diagram about this website, we get from many sources so you can create a better document of your own. When the search you acquire here does not complement what you are seeking for, please use the search feature that we have got provided here. You are free to download anything at all that we provide in this article, expense cost you the slightest.

DOWNLOAD