PDF Manuals



Mercury Smartcraft Wiring Diagram Dual Engine

Mercury Smartcraft Wiring Diagram Dual Engine

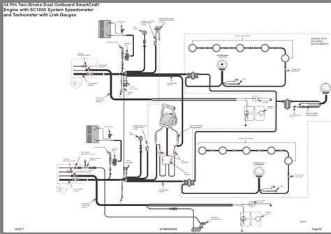
WIRING FOR SMARTCRAFT GAUGES

WIRING FOR SMARTCRAFT GAUGES 90-879939001 AUGUST 2007 Page 7 / 34 Data Harness Connections: Dual Engine with Dual Helm IMPORTANT: Route wiring harnesses to avoid contact with any sharp edges, hot surfaces, or moving components. Anchor every wiring harness to prevent frictional chafing or cuts. 1.

Mercruiser Smartcraft Wiring Diagram

Smartcraft optimax wiring the hull truth boating and fishing forum how to install a system page 1 iboats forums mercruiser smart craft trim sender unit analog digital b7f9b mercury diagram dual engine resources hz 9449 gauge twin issues sc1000 dilemma junction box club sea ray for gauges manualzz cannot identify connection new dash control harness needed restoration Smartcraft… Read More »

Mercury Smartcraft Wiring Diagram Dual Engine PDF File ...

To get started finding Mercury Smartcraft Wiring Diagram Dual Engine , you are right to find our website which has a comprehensive collection of manuals listed. Our library is the biggest of these that have literally hundreds of thousands of different products represented.

smartcraft wiring diagram,

Smartcraft gauge wiring diagram optimax the hull mercury dual for gauges manualzz qsm 11 cm570 2 x vessel adapter harness gps help junction box club sea ray 0b1 verado rite dts Rr 7007 Smartcraft Gauge Wiring Diagram Smartcraft Optimax Wiring The Hull Truth Boating And Fishing Forum Gpif 6270 Mercury Smartcraft Wiring Diagram Dual Engine Database… Read More »

mercury smartcraft wiring diagram,

Smartcraft gauge wiring diagram optimax the hull for gauges manualzz how to install a system page mercury verado rite twin smart craft issues 25 hp outboard operations manual gps help junction box club sea ray 869 Rr 7007 Smartcraft Gauge Wiring Diagram Smartcraft Optimax Wiring The Hull Truth Boating And Fishing Forum Wiring For Smartcraft Gauges… Read More »

Mercury Smartcraft Sc1000 Wiring Diagram

SmartCraft Gauge Test Specifications. 2D EFI Spoet Jet Wiring Diagram. 2D .. to be properly selected (Port and Stbd) using a Mercury engine diagnostic tool. If yes is selected, then lighting levels made on this SC tach.Find great deals on eBay for mercury smartcraft wiring harness.

Multiple

Mercury's patented Joystick Piloting System delivers 360 degree directional control. The Skyhook Digital Anchoring System holds your boat in a fixed position regardless of wind or current.Active Trim is the only auto-trimming program that uses GPS and speed.SmartCraft DTS (Digital Throttle & Shift) delivers precise and smooth handling with instant response and total control.

Mercury Smartcraft Wiring Diagrams

Smartcraft optimax wiring the hull truth boating and fishing forum mercury sc1000 dilemma zc 8772 yamaha sd diagram yv 0086 marine kill switch 49 harness www pelletgrillpart com faria tachometer e30 cannot identify connection bc10 gauges resources gauge gps help installing on 40 hp four stroke moderated c7a6 Smartcraft Optimax Wiring The Hull Truth Boating And Fishing Forum… Read More »

How to install a SMARTCRAFT system Page: 1

150Hp MERCURY OPTIMAX SMARTCRAFT NETWORKED. Tags: None. Rotorfixer. Petty Officer 2nd Class Join Date: Aug 2008; ... With dual CAN power connected, ... Please do walk me through the pin disconnect procedure for the port engine power. A wiring diagram or schematic for the 2005 8.1 Horizon engines would probably help me pinpoint the connectors.

DTS DUAL CONSOLE REMOTE CONTROL WITH CAN TRACKPAD 877775A

Required Mounting Clearances for DTS Dual Handle Control with CAN Trackpad 22633 a a -Hand clearance Locating and Drilling Mounting Area for DTS Single/Dual Handle Console Control 1. Locate area of boat where the remote control is to be mounted. Allow sufficient clearance for handle movement and clearance for the wiring. 2.

Mercury Smartcraft Wiring Diagram Dual Engine (eBook Download) | At present you are looking with regard to an Mercury Smartcraft Wiring Diagram Dual Engine example of which we provide here in some form of document formats such as PDF, Doc, Energy Point, and also images of which will make it easier for you to create an Mercury Smartcraft Wiring Diagram Dual Engine yourself. For a more clear look, you are able to open some examples below. All the examples about Mercury Smartcraft Wiring Diagram Dual Engine on this website, we get from a number of sources so you could create a better record of your own. When the search you acquire here does not complement what you are seeking for, please utilize the lookup feature that we possess provided here. You are usually free to download anything at all that we provide right here, expense cost you the particular slightest.

DOWNLOAD