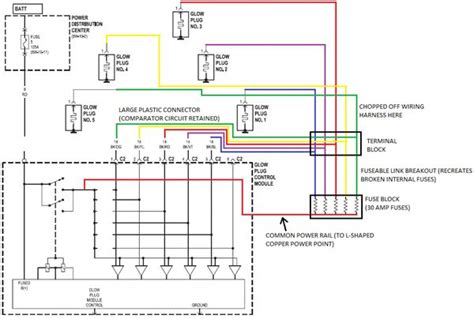
PDF Manuals



M2 Freightliner Wiring Diagram

M2 Freightliner Wiring Diagram

M2 Freightliner Wiring Diagram (eBook Download) | Presently you are looking regarding an M2 Freightliner Wiring Diagram example of which we provide here inside some form of document formats such as PDF, Doc, Strength Point, as well as images of which will make it simpler for you to create an M2 Freightliner Wiring Diagram yourself. For a better look, you are able to open several examples below. All the good examples about M2 Freightliner Wiring Diagram about this site, we get from many sources so you can create a better file of your own. If the search you get here does not complement what you are searching for, please utilize the research feature that we have provided here. You will be free to download anything at all that we provide here, expense cost you typically the slightest.

DOWNLOAD