PDF Manuals



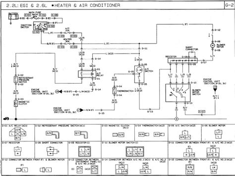
Hvac Control Wiring Circuit Diagram

Hvac Control Wiring Circuit Diagram

Hvac Control Wiring Circuit Diagram (eBook Download) | Presently you are looking for an Hvac Control Wiring Circuit Diagram example of which we provide here within some kind of document formats such as PDF, Doc, Energy Point, and also images of which will make it simpler for you to create an Hvac Control Wiring Circuit Diagram yourself. For a clearer look, you are able to open several examples below. All the examples about Hvac Control Wiring Circuit Diagram about this web site, we get from a number of sources so you may create a better file of your own. When the search you acquire here does not complement what you are searching for, please use the lookup feature that we have got provided here. You are free to download anything at all that we provide in this article, it will not cost you the particular slightest.

DOWNLOAD