PDF Manuals



Gm Key Switch Wiring Diagram

Gm Key Switch Wiring Diagram

Gm Column Ignition Switch Wiring Diagram | autocardesign

Gm Column Ignition Switch Wiring Diagram– wiring diagram is a simplified up to standard pictorial representation of an electrical circuit.It shows the components of the circuit as simplified shapes, and the power and signal connections between the devices.

Gm Steering Column Wiring Schematic | Free Wiring Diagram

Gm Steering Column Wiring Schematic - Collections Of Tech Tips. Best Chevy Tilt Steering Column Wiring Diagram. 57 65 Chevy Wiring Diagrams. 1992 ford F 150 Steering Column Wiring Diagram Trusted Wiring.

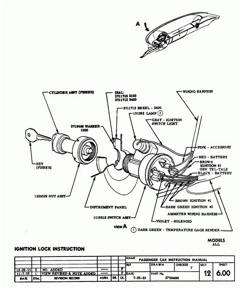
GM ignition switch column mounted older style INFO

ALL MY VIDEOS are in 1080p SO CHECK THAT OUT just an idea on how to go through and understand the lower column mounted GM ignition switch found on late 60s t...

Ignition switch wiring diagram

SWITCH Brass terminals on switch Wiring Diagram For 4 Position Universal Ignition Switch Product Code P00940. Title: Microsoft Word - Ignition switch wiring diagram Author: Paul Created Date:

Free Gm Wiring Diagrams

Diagram Chrysler Wiring Diagrams Easy Simple Gm Free Striking, size: 800 x 600 px, source: jennylares.com If the photo above is not very clear, please click the photo you want to increase the size of, then you will be taken to another page to show a more clear as well as bigger picture, you will certainly additionally be presented info from gambvar.

GM Full

Your Destination for GM Truck Parts. We hope you found the 1995 Chevy G20 wiring diagrams and other schematics helpful. When you’re ready to start your project, count on AutoZone’s large selection of auto parts and accessories by Autolite, Bosch, NGK, Duralast, Blue Streak, ACDelco, and other respected industry manufacturers.

GM Ignition Switch

When you turn the key to the ignition position, the switch connects the MASTERCELL input wire for the ignition to the ground through the battery terminal. ... Wiring diagram for GM ignition switch used in Chevrolet and Pontiac cars from 1969 through 1994.

How to Wire a Universal Ignition Switch | It Still Runs

Draw a wiring schematic. This is critical for a successful job. The back of the switch is marked with the function of the switch. The switch positions are "Acc" for accessory, "R" for run, "S" for start and "Off" for off. Plan each circuit carefully and include circuit protection, either inline fuses or a fuse panel, in the diagram.

How to Wire an Ignition Switch | It Still Runs

The ignition switch in a motor vehicle is the main electrical component used by the operator to start, run and turn off the vehicle. The main purpose of the switch is to allow the operator to safely engage the ignition system and activate the electric starter. Replacement of the ignition switch becomes necessary when ...

Steering Column Wiring Diagrams

Wiring Diagrams Steering Column Wire Harness – Turn Signal Switch The multicolored wire harness on your Flaming River Industries steering column is for the turn signal switch pre-installed on the column. This document will provide a wiring diagram and a brief overview on how the turn signal switch functions.

Gm Key Switch Wiring Diagram (eBook Download) | Presently you are looking regarding an Gm Key Switch Wiring Diagram example of which we provide here within some kind of document formats such as PDF, Doc, Strength Point, and in addition images of which will make it simpler for you to create an Gm Key Switch Wiring Diagram yourself. For a clearer look, you may open some examples below. Each of the good examples about Gm Key Switch Wiring Diagram on this website, we get from several sources so you can create a better record of your own. In case the search you obtain here does not complement what you are looking for, please use the search feature that we have provided here. You are usually free to download something that we provide in this article, expense cost you the particular slightest.

DOWNLOAD