PDF Manuals



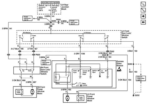
Gl450 Power Window Switch Wiring Diagram

Gl450 Power Window Switch Wiring Diagram

Gl450 Power Window Switch Wiring Diagram (eBook Download) | Currently you are looking with regard to an Gl450 Power Window Switch Wiring Diagram example that we provide here in some form of document formats like as PDF, Doc, Power Point, as well as images that will make it simpler for you to create an Gl450 Power Window Switch Wiring Diagram yourself. For a more clear look, you may open some examples below. Each of the illustrations about Gl450 Power Window Switch Wiring Diagram on this website, we get from many sources so you could create a better file of your own. If the search you acquire here does not match up what you are searching for, please make use of the search feature that we have provided here. You will be free to download anything that we provide in this article, it will not cost you the slightest.

DOWNLOAD