PDF Manuals



Ford Excursion Wiring Diagram

Ford Excursion Wiring Diagram

Excursion wiring diagrams

Excursion - King of SUVs - Excursion wiring diagrams - I have a 03 Eddie Bauer PSD and I’m looking for wiring diagrams on-line. Specifically for the lighting systems. I bought a set of OEM telescoping, heated mirrors with turn signal and running lights and the running lights do not work. Appears that 03 may not have...

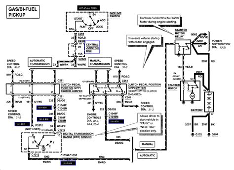
Ford Excursion Power Distribution Wiring Diagram [58510 ...

97 out of 100 based on 127 user ratings The ford excursion power distribution wiring diagram can be download for free. This circuit and wiring diagram: ford excursion power distribution wiring diagram has been viewed 2644 times which last viewed at 2020-09-25 06:28:09 and has been downloaded 11 times which last downloaded at 2017-05-26 02:28:38 updated by Layla on 15 Mar, 2014.

Ford Excursion (1999

Ford Excursion (1999 – 2005) – fuse box diagram ♥♥ This is diagram about Ford Excursion (1999 – 2005) – fuse box diagram you can learn online!!

Complete Excursion Wiring Diagrams ... so far

Excursion - King of SUVs - Complete Excursion Wiring Diagrams ... so far - https: ... Excursion - King of SUVs 2000 - 2005 Ford Excursion. Sponsored by: Complete Excursion Wiring Diagrams ... so far. Reply Subscribe . Thread Tools Search this Thread #1 ...

2005 Ford Excursion Electrical Wiring Diagrams Original ...

2005 Ford Excursion Electrical Wiring Diagrams - All Excursion Models including XLS, XLT, Eddie Bauer & Limited | 5.4L V8, 6.8L V10 Gasoline & 6.0L V8 Diesel Engines - Ford Motor Company

Ford Wiring Diagrams Free Download | Carmanualshub.com

Ford Orion 1990-1999 Electrical Wiring Diagram.pdf: 8.6Mb: Download: Ford S-MAX 2006 Electrical Wiring Diagram.rar: 81.3Mb: Download: Ford Sierra Wiring Diagram.pdf

2000 Ford Excursion Car Stereo Wiring Schematic

Whether your an expert Ford Excursion mobile electronics installer, Ford Excursion fanatic, or a novice Ford Excursion enthusiast with a 2000 Ford Excursion, a car stereo wiring diagram can save yourself a lot of time. Automotive wiring in a 2000 Ford Excursion vehicles are becoming increasing more difficult to identify due to the installation of … 2000 Ford Excursion Car Stereo Wiring ...

2000 ford Excursion Wiring Diagram | Free Wiring Diagram

2000 ford Excursion Wiring Diagram - Collections Of ford Super Duty Wiring Diagram 2000 ford Excursion Wiring Harness. ford F350 Trailer Wiring Diagram Collection. Excursion Wiring Harness Diagrams Schematics Fine ford Diagram. 2004 F350 Wiring Diagram Simple Electronic Circuits •.

Free Ford Wiring Diagrams

Totally Free Ford Wiring Diagrams!

Fuse Box Diagram Ford Excursion (2000

Fuse box diagram (location and assignment of electrical fuses and relays) for Ford Excursion (2000, 2001, 2002, 2003, 2004, 2005).

Ford Excursion Wiring Diagram (eBook Download) | At present you are looking for an Ford Excursion Wiring Diagram example of which we provide here inside some form of document formats many of these as PDF, Doc, Strength Point, as well as images of which will make it simpler for you to create an Ford Excursion Wiring Diagram yourself. For a better look, you are able to open some examples below. All of the illustrations about Ford Excursion Wiring Diagram on this website, we get from many sources so you may create a better file of your own. If the search you get here does not match up what you are searching for, please make use of the research feature that we have provided here. You are usually free to download something that we provide right here, investment decision you won't cost you typically the slightest.

DOWNLOAD