PDF Manuals



Commando Remote Start Wiring Diagram

Commando Remote Start Wiring Diagram

Free Car Alarm Wiring and Install Tips

Commando Car Alarms offers free wiring diagrams for installing your alarm, remote car starter, keyless entry or power door locks in your car or truck. View our complete listing of wiring diagrams by vehicle manufacture.

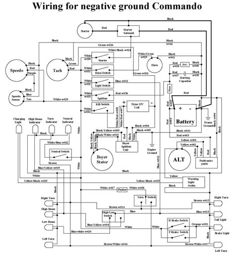
Commando Remote Starter Wiring Diagram

Commando remote start wiring diagram 189 moan mega tarife de wire diagrams resources yk 4972 car alarms starter harness tuli www literaturagentur wortwerkstatt 68dc alarm technical sa 9014 audiovox roti anb12 vmbso 1abe6 motorcycle library. Commando Remote Start Wiring Diagram 189 Moan Mega Tarife De.

Order a Remote Car Starter and Remote Starters Online!

A remote car starter allows you to start your vehicle by remote, from up to 1 mile away! You can easily make the climate in your vehicle comfortable before you even open the door! Say your leaving for work and its a comfortable 30 degrees outside, and probably colder inside of your car.

Chevrolet Car Alarm Wiring Information

Commando Car Alarms offers free wiring diagrams for Chevrolet cars and trucks. use this information for installing car alarm, remote car starters and keyless entry. View our complete listing of wiring diagrams for your Chevrolet.

Commando Alarm Wiring Diagram

Description: Commando Car Alarm Wiring Diagram Car Alarm Wiring Diagram Toyota pertaining to Commando Alarm Wiring Diagram, image size 650 X 750 px, and to view image details please click the image.. Here is a picture gallery about commando alarm wiring diagram complete with the description of the image, please find the image you need.

Commando Alarm Wiring Diagram

Commando Alarm Wiring Diagram. On this website we recommend many designs abaout Commando Alarm Wiring Diagram that we have collected from various sites home design, and of course what we recommend is the most excellent of design for Commando Alarm Wiring Diagram.If you like the design on our website, please do not hesitate to visit again and get inspiration from all the houses in the design of ...

Commando Remote Start Wiring Diagram (eBook Download) | Presently you are looking for an Commando Remote Start Wiring Diagram example of which we provide here within some type of document formats many of these as PDF, Doc, Power Point, and also images of which will make it simpler for you to create an Commando Remote Start Wiring Diagram yourself. For a better look, you are able to open several examples below. All the illustrations about Commando Remote Start Wiring Diagram on this web site, we get from several sources so you can create a better record of your own. In case the search you get here does not match what you are seeking for, please use the search feature that we possess provided here. You will be free to download anything that we provide in this article, investment decision you won't cost you the particular slightest.

DOWNLOAD