PDF Manuals



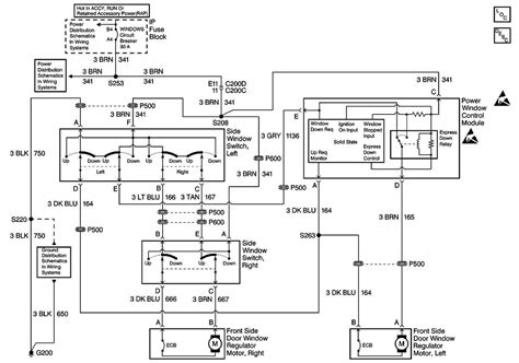
Colorado Window Switch Wiring Diagram

Colorado Window Switch Wiring Diagram

Chevrolet Colorado/GMC Canyon Schematics

Chevrolet Colorado/GMC Canyon Schematics. Select your vehicle's Year, Model, and Engine from the drop down lists below and then click "View Schematics" to see the schematics for your vehicle.

Install a New Power Window Switch Chevy Colorado / GMC ...

In this video I show you how to install a new power window switch in a Chevy Colorado / GMC Canyon. This will work on 2004 - 2012 models. Buy switch here: ht...

2004 Colorado Window Switch Wiring Diagram PDF File ...

To get started finding 2004 Colorado Window Switch Wiring Diagram , you are right to find our website which has a comprehensive collection of manuals listed. Our library is the biggest of these that have literally hundreds of thousands of different products represented.

Power window wiring diagram for chevy colorado

Yea , could be a couple thing's , the motor , window regulator , no B+ voltage to switch or window motor ! Videos on youtube trouble shooting power windows . Watch videos on basic automotive electrical testing , how to use a DVOM - digital volt ohm meter , how to read a wiring diagram .

2004

Listed below is the vehicle specific wiring diagram for your car alarm, remote starter or keyless entry installation into your 2004-2008 Chevrolet Colorado.This information outlines the wires location, color and polarity to help you identify the proper connection spots in the vehicle.

Chevy Colorado Wiring Diagram | Free Wiring Diagram

Chevy Colorado Wiring Diagram - Collections Of Hhr Custom Wheels 2008 Chevy Colorado Blower Motor Wiring Diagram. Wiring Diagram for Blower Motor In 2004 Chevy Impala Motor Wire. Chevy Engine Diagram Free Image About Wiring Diagram and Schematic. Wiring Diagrams before You Call A Ac Repair Man Visit My Blog for.

Power Window Wiring Diagram 1

Power Window Wiring Diagram 1 Amazon Printed Books https://www.createspace.com/3623931 Amazon Kindle Edition http://www.amazon.com/Automotive-Electronic-Diag...

Colorado Window Switch Wiring Diagram (eBook Download) | Presently you are looking for an Colorado Window Switch Wiring Diagram example that will we provide here within some type of document formats many of these as PDF, Doc, Power Point, as well as images that will will make it easier for you to create an Colorado Window Switch Wiring Diagram yourself. For a clearer look, you are able to open some examples below. Each of the examples about Colorado Window Switch Wiring Diagram about this website, we get from a number of sources so you may create a better record of your own. When the search you acquire here does not match up what you are looking for, please make use of the lookup feature that we have provided here. You are free to download something that we provide right here, investment decision you won't cost you the particular slightest.

DOWNLOAD