PDF Manuals



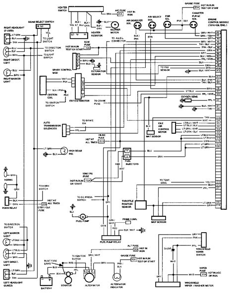
Chevy Caprice Wiring Diagram

Chevy Caprice Wiring Diagram

Chevy Caprice Wiring Diagram (eBook Download) | Currently you are looking regarding an Chevy Caprice Wiring Diagram example that will we provide here within some type of document formats like as PDF, Doc, Strength Point, and in addition images that will will make it simpler for you to create an Chevy Caprice Wiring Diagram yourself. For a more clear look, you are able to open some examples below. All of the illustrations about Chevy Caprice Wiring Diagram with this site, we get from many sources so you may create a better record of your own. When the search you obtain here does not match what you are looking for, please use the search feature that we have provided here. You are free to download anything at all that we provide right here, expense cost you the slightest.

DOWNLOAD