PDF Manuals



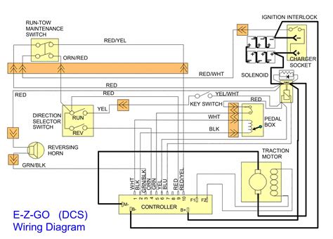
Basic Golf Cart Wiring Diagram

Basic Golf Cart Wiring Diagram

Basic Golf Cart Wiring Diagram (eBook Download) | Presently you are looking regarding an Basic Golf Cart Wiring Diagram example that we provide here in some type of document formats many of these as PDF, Doc, Strength Point, and also images that will make it easier for you to create an Basic Golf Cart Wiring Diagram yourself. For a clearer look, you can open some examples below. Each of the examples about Basic Golf Cart Wiring Diagram about this site, we get from a number of sources so you can create a better record of your own. In case the search you get here does not match up what you are searching for, please utilize the search feature that we possess provided here. You are usually free to download anything at all that we provide here, it will not cost you the slightest.

DOWNLOAD