PDF Manuals



Ab Microcontroller Wiring Diagram

Ab Microcontroller Wiring Diagram

☘️ Ab Microcontroller Wiring Diagram

Ab Microcontroller Wiring Diagram https://wiring.kingpixelbuilder.com/ab-microcontroller-wiring-diagram Envision that you acquire such definite awesome exper...

microcontroller circuit diagram

Microcontroller tutorial 3 5 how to circuit diagram design a principles worksheet of the ps2 controller team type keyboard hands creating board lh 0378 8051 led blinking sequence using pic digital voltmeter based ding dong bell Microcontroller Tutorial 3 5 How To Design The Circuit 3 Microcontroller Circuit Diagram Scientific How To Design A Microcontroller Circuit… Read More »

Ab Wiring Diagram

99456 Ab Microcontroller Wiring Diagram Digital Resources Ford Car Radio Stereo Audio Wiring Diagram Autoradio Connector Interlock Architectures Pt 4 Category 3 Control Reliable 22277 Hei Ignition Wiring Diagram C2 Ab Auto Hardware Wiring Wiring Diagrams Of Indian Two Wheelers Page 2 Team Bhp Em ...

Basic Start Stop Wiring Diagram

Diagram one line 3 wire start stop station full version hd quality wireto sep51 fr how to a controlling 120 volt magnetic starter quora jog circuit motor control electrical a2z three with multiple push ons circuits ladder logic electronics textbook yw 9337 phase contactor wiring ab microcontroller data diagrams contact and coil basic for technical guide eep solved… Read More »

Microcontroller Program Flow

Program flow of the firmware running on the microcontroller--You can edit this template and create your own diagram.Creately diagrams can be exported and added to Word, PPT (powerpoint), Excel, Visio or any other document.

Microcontroller Electronics Wiring diagram System ...

Wiring diagram Fuse Electrical Wires & Cable Home wiring, asterisk png size: 2056x3648px filesize: 5.89MB Servomotor Electric motor Servomechanism Arduino, servo png size: 600x600px filesize: 148.97KB

Circuit Diagram Automatic Car Parking System Using ...

Automatic car parking indicator system best ways to control of automated with empty slot vehicle project tutorial based on rfid pdf mejosh tj diagram reverse sensor circuit using arduino Automatic Car Parking Indicator System Using Microcontroller Best Ways To Control Of Car Parking With Diffe Techniques Best Ways To Control Of Car Parking With Diffe Techniques… Read More »

Microcontroller Circuits – Circuit Wiring Diagrams

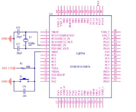
8051 Microcontroller Instruction Set. The Microcontroller 8051 is a 8-bit microcontroller with 40 pin DIP (dual in-line package) integrated circuit. The 8051 ICs were built in HMOS, HMOS II and CHMOS technologies. The 8051 provides more powerful architecture, more powerful Instruction set and full duplex serial port. PIN Diagram

Microcontroller Tutorial 3/5: How To Design the Circuit

The Complete Microcontroller Circuit Diagram. If we combine all the parts that we’ve discussed above, we’ll end up with the following circuit diagram. You’ll notice that some parts seems to not be connected to the rest. But, when there is a name on a wire, it means this wire is connected to all the other wires with the same name.

Ab Microcontroller Wiring Diagram (eBook Download) | Presently you are looking for an Ab Microcontroller Wiring Diagram example of which we provide here in some form of document formats many of these as PDF, Doc, Power Point, and in addition images of which will make it easier for you to create an Ab Microcontroller Wiring Diagram yourself. For a clearer look, you are able to open some examples below. All of the illustrations about Ab Microcontroller Wiring Diagram about this web site, we get from a number of sources so you could create a better record of your own. If the search you get here does not match what you are looking for, please utilize the research feature that we have got provided here. You will be free to download anything at all that we provide here, expense cost you typically the slightest.

DOWNLOAD