PDF Manuals



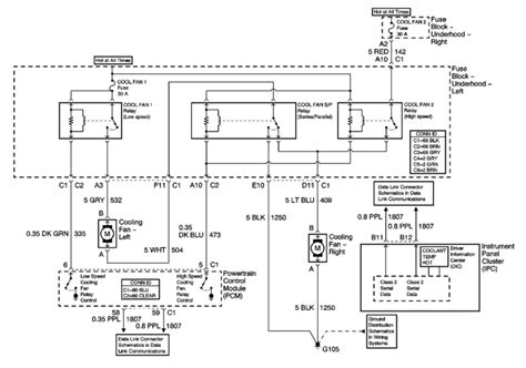
2012 Colorado Wiring Diagram

2012 Colorado Wiring Diagram

2012 Chevrolet Colorado Trailer Wiring | etrailer.com

Call 800-298-8924 to get Expert Service ordering a Trailer Wiring for your 2012 Chevrolet Colorado. Complete installation instructions and lifetime technical support on all Trailer Wiring purchases. Lowest price guarantee on accessories for your Chevrolet Colorado and the fastest shipping available.

Colorado 2wd 2012 Wiring Diagram Schematic

Wiring Diagram Schematics for your 2012 Colorado 2WD Get the most accurate Wiring Diagram Schematics in our Online Service Repair Manual Are you having trouble with the wiring diagram schematic on your 2012 Colorado 2WD ?

Chevrolet Colorado/GMC Canyon Schematics

Chevrolet Colorado/GMC Canyon Schematics. Select your vehicle's Year, Model, and Engine from the drop down lists below and then click "View Schematics" to see the schematics for your vehicle.

Chevy Colorado Wiring Diagram | Free Wiring Diagram

Chevy Colorado Wiring Diagram - Collections Of Hhr Custom Wheels 2008 Chevy Colorado Blower Motor Wiring Diagram. Wiring Diagram for Blower Motor In 2004 Chevy Impala Motor Wire. Chevy Engine Diagram Free Image About Wiring Diagram and Schematic. Wiring Diagrams before You Call A Ac Repair Man Visit My Blog for.

2009

Listed below is the vehicle specific wiring diagram for your car alarm, remote starter or keyless entry installation into your 2009-2011 Chevrolet Colorado.This information outlines the wires location, color and polarity to help you identify the proper connection spots in the vehicle.

2012 Chevrolet Colorado Owner Manual M

Chevrolet Colorado Owner Manual - 2012 Black plate (4,1) iv Introduction Using this Manual To quickly locate information about the vehicle, use the Index in the back of the manual. It is an alphabetical list of what is in the manual and the page number where it can be found. Danger, Warnings, and Cautions Warning messages found on vehicle

Chevy Colorado Wiring

Switches and aux light wiring on my 2018 Chevy Colorado LT 4x4. Dorman 4 rocker switch https://amzn.to/2TxQKrC

CHEVROLET Car Radio Stereo Audio Wiring Diagram Autoradio ...

CHEVROLET Car Radio Stereo Audio Wiring Diagram Autoradio connector wire installation schematic schema esquema de conexiones stecker konektor connecteur cable shema car stereo harness wire speaker pinout connectors power how to install . CHEVROLET 96647739 : Chevrolet 2004 : contact: A connector: connector B: 1 + 12V permanently ...

Fuse Box Diagram Chevrolet Colorado (2004

Fuse box diagram (location and assignment of electrical fuses and relays) for Chevrolet (Chevy) Colorado (2004, 2005, 2006, 2007, 2008, 2009, 2010, 2011, 2012).

2012 Colorado Wiring Diagram (eBook Download) | Presently you are looking with regard to an 2012 Colorado Wiring Diagram example that we provide here inside some form of document formats many of these as PDF, Doc, Strength Point, as well as images that will make it simpler for you to create an 2012 Colorado Wiring Diagram yourself. For a better look, you may open several examples below. Each of the illustrations about 2012 Colorado Wiring Diagram on this site, we get from a number of sources so you may create a better file of your own. If the search you acquire here does not match what you are searching for, please use the research feature that we have got provided here. You are usually free to download something that we provide here, it will not cost you the particular slightest.

DOWNLOAD