PDF Manuals



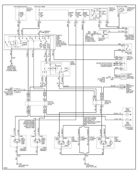
2008 Dodge Brake Controller Wiring Diagram

2008 Dodge Brake Controller Wiring Diagram

2008 Dodge Brake Controller Wiring Diagram (eBook Download) | At present you are looking regarding an 2008 Dodge Brake Controller Wiring Diagram example that will we provide here inside some kind of document formats such as PDF, Doc, Energy Point, and also images that will will make it simpler for you to create an 2008 Dodge Brake Controller Wiring Diagram yourself. For a more clear look, you are able to open several examples below. All of the illustrations about 2008 Dodge Brake Controller Wiring Diagram on this web site, we get from a number of sources so you could create a better file of your own. In case the search you acquire here does not complement what you are seeking for, please utilize the lookup feature that we have got provided here. You will be free to download something that we provide here, expense cost you typically the slightest.

DOWNLOAD