PDF Manuals



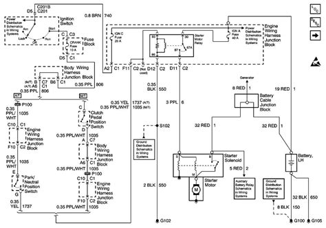
2004 Chevy Silverado Fuel System Wiring Diagram

2004 Chevy Silverado Fuel System Wiring Diagram

2004 Chevy Silverado Fuel System Wiring Diagram (eBook Download) | At present you are looking with regard to an 2004 Chevy Silverado Fuel System Wiring Diagram example that will we provide here within some form of document formats like as PDF, Doc, Strength Point, and in addition images that will will make it easier for you to create an 2004 Chevy Silverado Fuel System Wiring Diagram yourself. For a clearer look, you can open a few examples below. Each of the examples about 2004 Chevy Silverado Fuel System Wiring Diagram on this website, we get from several sources so you can create a better record of your own. In case the search you acquire here does not match up what you are seeking for, please utilize the lookup feature that we possess provided here. You will be free to download something that we provide right here, investment decision you won't cost you the slightest.

DOWNLOAD