PDF Manuals



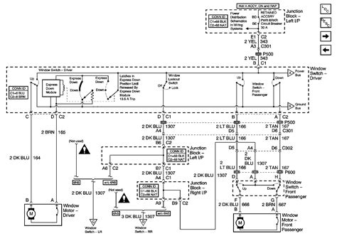
2004 Chevy Impala Power Window Wiring Diagram

2004 Chevy Impala Power Window Wiring Diagram

Power Window Wiring Diagram 1

Power Window Wiring Diagram 1 Amazon Printed Books https://www.createspace.com/3623931 Amazon Kindle Edition http://www.amazon.com/Automotive-Electronic-Diag...

Fuse Box Diagram Chevrolet Impala (2000

Fuse box diagram (location and assignment of electrical fuses and relays) for Chevrolet (Chevy) Impala (2000, 2001, 2002, 2003, 2004, 2005).

Chevrolet Impala Wiring Diagrams 1994

This video demonstrates the Chevrolet Impala Complete Wiring Diagrams and details of the wiring harness or connectors. Diagrams for the following systems are...

Power Window Cable Diagram Chevy

'2004 Chevy Impala Power Window Wiring Diagram May 4th, 2018 - 2004 chevy impala power window wiring diagram together with showassembly as well as 2009 malibu wiring schematics bcm further civic del sol fuse panel printable copies fuse diagrams here 1966666 as well as 1981 fuse

2003

Listed below is the vehicle specific wiring diagram for your car alarm, remote starter or keyless entry installation into your 2003-2005 Chevrolet Impala.This information outlines the wires location, color and polarity to help you identify the proper connection spots in the vehicle.

Power Window Circuit Diagram (1995

Power Window Circuit Diagram 1995, 1996, 1997, 1998, 1999 Chevy/GMC Pick Up 1500, 2500, 3500.

I need a power window wire diagram for a 2004 chevy ...

SOURCE: 2004 Chevy Tahoe stereo wiring diagram BLACK-ground RED-accessorie YELLOW-power 12v PURPLE-left rear GREEN-right rear WHITE-left front GREY-right front BLUE-REMOTE and the other blue one is for remote antenna..

2004 Chevy Impala Power Window Wiring Diagram (eBook Download) | At present you are looking regarding an 2004 Chevy Impala Power Window Wiring Diagram example of which we provide here in some kind of document formats like as PDF, Doc, Strength Point, and also images of which will make it simpler for you to create an 2004 Chevy Impala Power Window Wiring Diagram yourself. For a better look, you can open a few examples below. All of the examples about 2004 Chevy Impala Power Window Wiring Diagram with this website, we get from several sources so you can create a better record of your own. If the search you obtain here does not complement what you are looking for, please make use of the search feature that we possess provided here. You will be free to download anything at all that we provide right here, expense cost you typically the slightest.

DOWNLOAD