PDF Manuals



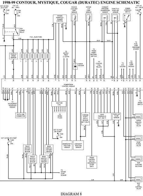
2003 Contour Wiring Diagram

2003 Contour Wiring Diagram

2003 Contour Wiring Diagram (eBook Download) | At present you are looking for an 2003 Contour Wiring Diagram example of which we provide here in some form of document formats like as PDF, Doc, Power Point, and in addition images of which will make it simpler for you to create an 2003 Contour Wiring Diagram yourself. For a more clear look, you may open some examples below. Each of the good examples about 2003 Contour Wiring Diagram on this web site, we get from many sources so you may create a better document of your own. If the search you get here does not match up what you are seeking for, please make use of the research feature that we possess provided here. You will be free to download anything at all that we provide in this article, it will not cost you the slightest.

DOWNLOAD