PDF Manuals



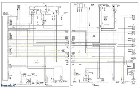
2000 Jetta Window Motor Wiring Diagram

2000 Jetta Window Motor Wiring Diagram

2000 Jetta Window Motor Wiring Diagram (eBook Download) | At present you are looking with regard to an 2000 Jetta Window Motor Wiring Diagram example of which we provide here within some kind of document formats like as PDF, Doc, Energy Point, and also images of which will make it simpler for you to create an 2000 Jetta Window Motor Wiring Diagram yourself. For a more clear look, you can open several examples below. Each of the good examples about 2000 Jetta Window Motor Wiring Diagram about this site, we get from many sources so you could create a better file of your own. In case the search you get here does not match what you are seeking for, please make use of the research feature that we have got provided here. You are free to download anything at all that we provide in this article, expense cost you the slightest.

DOWNLOAD