PDF Manuals



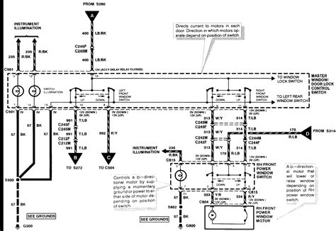
1997 Explorer Window Wiring Diagram

1997 Explorer Window Wiring Diagram

1997 Explorer Window Wiring Diagram (eBook Download) | Currently you are looking with regard to an 1997 Explorer Window Wiring Diagram example that we provide here in some kind of document formats like as PDF, Doc, Energy Point, and also images that will make it simpler for you to create an 1997 Explorer Window Wiring Diagram yourself. For a clearer look, you may open some examples below. All the illustrations about 1997 Explorer Window Wiring Diagram on this web site, we get from several sources so you could create a better record of your own. When the search you obtain here does not complement what you are looking for, please use the research feature that we have got provided here. You are free to download something that we provide in this article, expense cost you typically the slightest.

DOWNLOAD