PDF Manuals



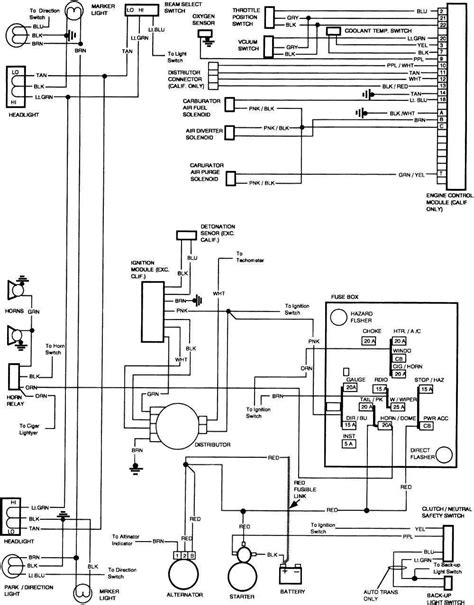
1985 Chevy Distributor Wiring Diagram Schematic

1985 Chevy Distributor Wiring Diagram Schematic

1985 Chevy Distributor Wiring Diagram Schematic (eBook Download) | Currently you are looking for an 1985 Chevy Distributor Wiring Diagram Schematic example of which we provide here in some type of document formats like as PDF, Doc, Energy Point, as well as images of which will make it simpler for you to create an 1985 Chevy Distributor Wiring Diagram Schematic yourself. For a better look, you are able to open a few examples below. All the illustrations about 1985 Chevy Distributor Wiring Diagram Schematic with this site, we get from a number of sources so you can create a better document of your own. If the search you get here does not complement what you are looking for, please use the lookup feature that we have got provided here. You are free to download something that we provide right here, expense cost you typically the slightest.

DOWNLOAD