PDF Manuals



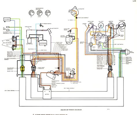
140 Mercruiser Engine Diagram Wiring Schematic

140 Mercruiser Engine Diagram Wiring Schematic

140 Mercruiser Engine Diagram Wiring Schematic (eBook Download) | Presently you are looking for an 140 Mercruiser Engine Diagram Wiring Schematic example that we provide here in some kind of document formats like as PDF, Doc, Strength Point, and in addition images that will make it simpler for you to create an 140 Mercruiser Engine Diagram Wiring Schematic yourself. For a better look, you may open several examples below. Each of the examples about 140 Mercruiser Engine Diagram Wiring Schematic on this web site, we get from a number of sources so you can create a better record of your own. If the search you acquire here does not match what you are looking for, please use the search feature that we have got provided here. You are usually free to download anything at all that we provide in this article, expense cost you typically the slightest.

DOWNLOAD